网站首页
关于我们
产品中心
硬齿面齿轮减速机系列
精密行星减速机系列
微型电机、齿轮马达减速电机系列
RV蜗轮蜗杆减速机系列
丝杆升降机转向器系列
WP减速机系列
摆线减速机系列
工业齿轮箱系列
伺服电机、步进电机系列
新闻动态
应用案例
服务支持
联系我们
18626239433
网站首页
关于我们
产品中心
硬齿面齿轮减速机系列
精密行星减速机系列
微型电机、齿轮马达减速电机系列
RV蜗轮蜗杆减速机系列
丝杆升降机转向器系列
WP减速机系列
摆线减速机系列
工业齿轮箱系列
伺服电机、步进电机系列
新闻动态
应用案例
服务支持
联系我们
产品列表
硬齿面齿轮减速机系列
精密行星减速机系列
精密转角减速机
中空旋转平台
谐波减速机
精密行星减速机
RV减速机
微型电机、齿轮马达减速电机系列
RV蜗轮蜗杆减速机系列
丝杆升降机转向器系列
WP减速机系列
摆线减速机系列
工业齿轮箱系列
伺服电机、步进电机系列
当前位置:
首页
> RV减速机
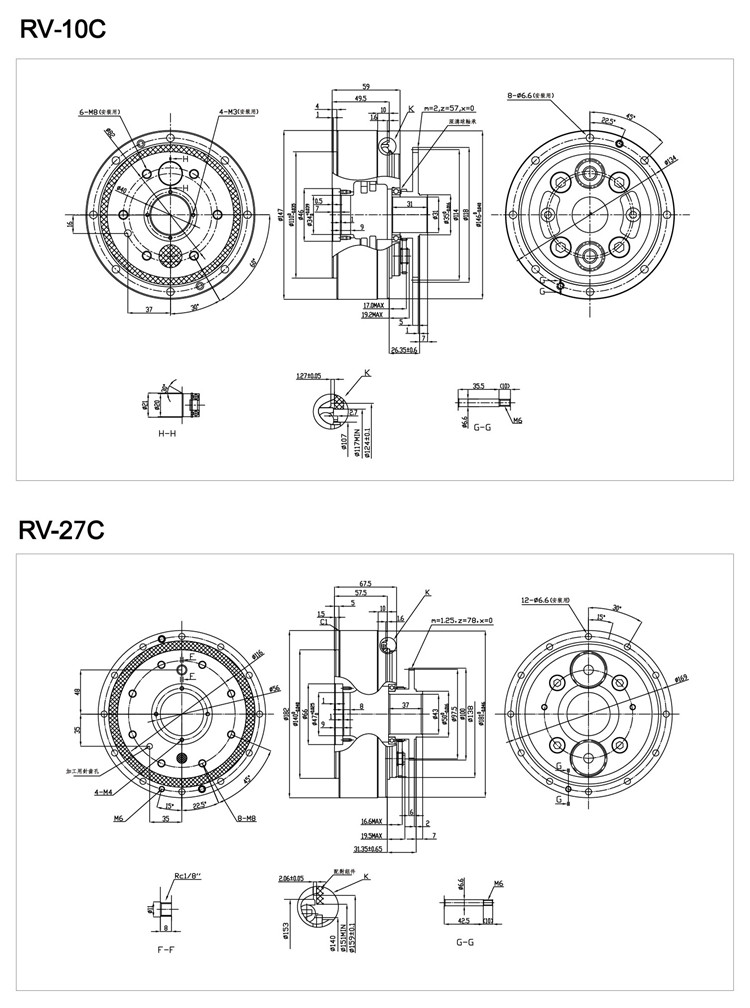
RV减速机
RV-C减速机
硬齿面齿轮减速机
· FJ系列高精度硬齿面齿轮减速机
· RJ系列高精度硬齿面齿轮减速机
· F系列硬齿面齿轮减速机
· R系列硬齿面齿轮减速机
· K系列硬齿面齿轮减速机
精密行星减速机系列
· 精密转角减速机
· 中空旋转平台
· 谐波减速机
· 精密行星减速机
· RV减速机
RV蜗轮蜗杆减速机系列
· NMRV30 方法兰输入
· NMRV30 圆法兰输入
· NMRV40 方法兰输入
· NMRV40 圆法兰输入
· NMRV50 方法兰输入
丝杆升降机转向器系列
· 扁头型 SWL丝杆升降机
· 电机法兰型 SWL丝杆升降机
· 法兰型 SWL丝杆升降机
· 螺旋升降机
· 丝杆升降机
联系我们
销售热线:
18626239433
地址:江苏省无锡市惠山区
邮箱:syhengdasheng@126.com
网址:www.syhds.com
Copyright © 2025 恒达升科技(无锡)有限公司
辽ICP备2021007504号
免责声明
电话
邮箱
联系